본문 바로가기 주메뉴 바로가기
제품소개

한국표준광기술㈜은 EVERFINE 한국총판 대리점입니다.

자동차, 항공, 선박

자동차, 항공, 선박 제품을 확인해보세요!

제품명

FLT-20 반사필름 측정 시스템

Meet the relevant standard fluorescent luminance factor test Comes with a camera obscura, no need for a dark room to complete the test independently

파장범위
350 ~ 1100 nm
파장정확도
±0.3 nm
색온도
6500K
목록보기
Typical Application Scenarios
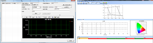
FLT-20 Fluorescence Luminance Factor Testing System is specifically designed for the fluorescent parts of motor vehicle triangle warning signs and vehicle rear marking plates. It can perform photometric and chromaticity inspections of the fluorescent parts with the characteristics of high stability and repeatability and easy installation. It meets the testing needs of laboratories and measurement institutions, and is equipped with dedicated analysis software to obtain luminance factor, chromaticity coordinates, and spectrum of the fluorescent parts of warning signs and marking plates.
Everfine
Main Characteristics
1. Professional testing of the photometric and chromaticity of the fluorescent parts of triangle warning signs and vehicle rear marking plates, and accurate acquisition of parameters such as luminance factor, chromaticity coordinates, and spectrum.
Everfine
2. Easy to measure, after calibration, one-key measurement of products can be completed.
Everfine
Technical Specifications
Everfine